CLC-501
突合せ軸形クラッチユニット
ワーナークラッチ単体をコンパクトなブラケットに内蔵したクラッチユニットです。EP形/EPS形と同様に入力軸・出力軸付のため、取付がきわめて簡単です。
| 型式 | CLC-501 |
|---|---|
| 静摩擦トルク Nm | 70 |
| 定格電圧 DC-V | 24 |
| 消費電力 W(at75°C) | 23 |
| 質量 kg | 16 |
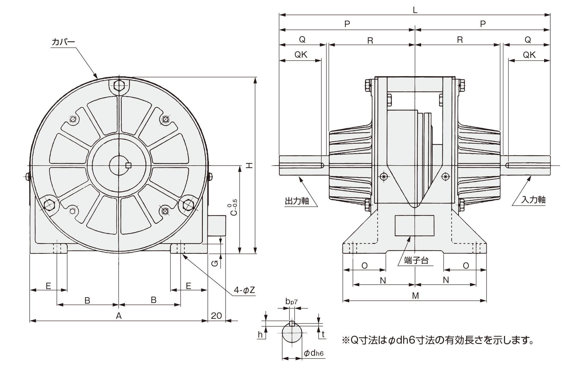
1. 下図はCLC-400形を示します。機種により細部は多少異なります。
2. 内蔵クラッチはCLC専用仕様となっています。

単位:mm
| 径方向 | |
|---|---|
| A | 204 |
| B | 75 |
| C | 102 |
| E | 40 |
| G | 13 |
| H | 204.5 |
| 軸方向 | |
|---|---|
| L | 352 |
| M | 204 |
| N | 90 |
| O | 54 |
| P | 176 |
| R | 118.5 |
| Z | 12 |
| 軸端 | |
|---|---|
| Q | 56 |
| QK | 47 |
| d | 22 |
| b | 7 |
| h | 7 |
| t | 4 |
CAD
CADデータから得られる情報は、表記寸法以外は参考までにお取り扱いください。
ボルト位置、タップ位置は異なる場合がございますので、ご了承いただきますようお願い申し上げます。
掲載されている情報は、品質向上または改良のため予告なしに変更する場合がございます。
CLC-501
DXFファイル183 KB



