SNW形自動制御器
材料の張力変動をダンサロールに取付けた位置センサにて検出し、ダンサロール位置を常に一定に保つように、励磁電流を自動調整する制御方式です。
フィードバック制御により高精度な張力制御ができます。

左:SNW-100SI 右:SEP-11
特長
- ダンサアームに取付けたピポットポイントセンサによりダンサ位置を一定に制御するために高精度の張力制御が行えます。
- 本制御器はP(比例)I(積分)D(微分)制御を行っているため、広範囲なトルク制御に対しても安定した張力制御ができます。
- ダンサロール位置調整、応答感度調整がついているため、あらゆる機械にマッチした制御が行えます。
外形寸法図・仕様
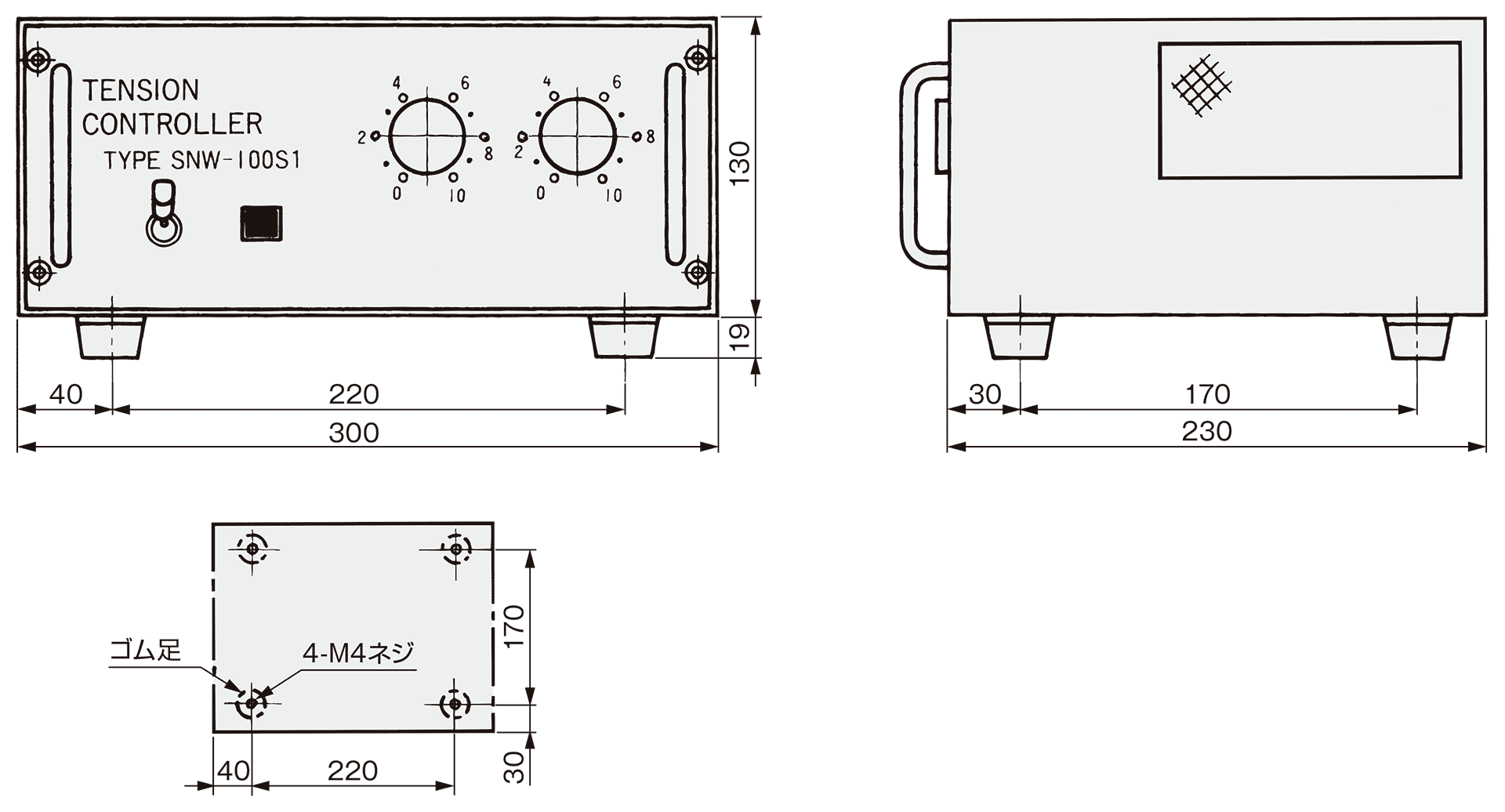
SNW形自動張力制御器
外形寸法図
単位:mm

固定する場合は固定ネジ(M4×25)を使用し、ゴム足と共に(裏面点固定のため)固定してください。
仕様
| 型式 | SNW-100S1 |
|---|---|
| 入力電圧 | AC 200/220V |
| 出力電圧 | DC0~24V |
| 定格 | 連続 |
| 容量 | 60W |
| 構造 | 鋼板製据置保護形 |
|---|---|
| 質量 | 6.5kg |
| 塗装色 | カバー:マンセル 7.5BG6/1.5 |
| 主な適用機種 | POC/POB/PTB-10形以下 PRB/PMC形全機種 |
SEP形ピボット式センサ
外形寸法図
単位:mm

仕様
| 型式 | SEP-11 |
|---|---|
| 容量 | 許容最大容量 0.2W |
| 電圧 | 許容最大電圧 15V |
| 回転角度 | 最大回転角:90度 常用回転角:最大60度 |
| 塗装色 | マンセル 7.5BG 3/3.5 |
CAD
CADデータから得られる情報は、表記寸法以外は参考までにお取り扱いください。
ボルト位置、タップ位置は異なる場合がございますので、ご了承いただきますようお願い申し上げます。
掲載されている情報は、品質向上または改良のため予告なしに変更する場合がございます。
SNW-100S1
DXFファイル36 KB



